Brug af lokale indikatorer i Ex-områder (indlæg 1 af 2)
Ikke alle industrianlæg anses for at være lige farlige. Eksempelvis vil en underjordisk kulmine betragtes som et område med maksimal risiko, fordi der altid kan være Metangas tilstede, mens et anlæg der opbevarer metan i lagertanke kun vil anses for at være potentielt farligt i området omkring tanke og forbindelsesrør.

For at kunne sammenligne risici i de forskellige områder kategoriseres disse i zoner, som:
- Zone 0 – Et område hvor eksplosiv gas / luftblanding er til stede kontinuerligt eller i lange perioder.
- Zone 1 – Et område hvor eksplosiv gas / luftblanding med stor sandsynlighed vil forekomme under normal drift.
- Zone 2 – Et område hvor eksplosiv gas / luftblanding normalt ikke forekommer under drift
I moderne procesteknologi benyttes derfor i stigende grad risikoanalyse, som en metode til bestemmelse af sandsynligheden for eksplosioner i anlægget. Analyserne er med til at kortlægge hvor i anlægget de eksplosive gasser kan være tilstede, og i hvilke mængder, Dette, sammen med en øget fokus på at undgå lækager af såvel miljømæssige, som økonomiske årsager har dannet grundlag for en omklassificering af flere af de farlige områder, så de i dag ”blot” betragtes som zone 2.
Set fra en indikators synspunkt er dette en heldig udvikling, idet denne form for lokal instrumentering normalt placeres netop i zone 2 for at minimere risicien for eksplosion – ikke blot fra instrumentet selv, men også fra brugerne, der bør undgå områder klassificeret som zone 0, da mennesker kan repræsentere en risiko for gnistdannelse grundet elektrostatisk og/eller friktions relaterede bevægelser.
Hvad er en loopindikator
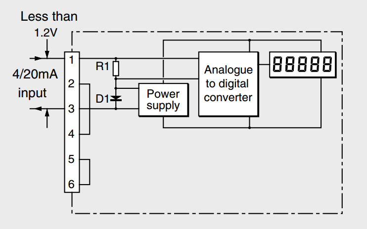
En loopindikator er et instrument til visning af en elektrisk måleværdi (strøm), der forsynes via de samme 2 ledninger som målesignalet (strømsignalet) fremføres ad. Grundlæggende fungerer alle indikatorer der monteres i strømsløjfer på samme måde – som forsøgt illustreret på figur 2.

Strømsignalet på 4…20mA løber igennem modstanden R1 og diode D1. Spændingen over D1 benyttes til at drive en switch-mode strømforsyning for forsyning af instrumentet, mens spændingsfaldet over modstanden R1 giver indgangssignalet til A/D konverteren som angiver måleværdien på skærmen. Den store udfordring i denne indikatortype er at producere en nøjagtig måling som mulig, samtidig med der mistes så lidt af den til rådighed værende spænding som muligt. Udover forsyning af displayenheden kan indikatorerne også indeholde baggrundsbelysning og alarmfaciliteter – alt sammen funktioner der skal forsynes via strømsløjfens 4 mA.
Brugen af egensikre indikatorer
Udstyr med betegnelsen egensikker eller Intrinsically Safe er designet således at enhedens maksimale indre energi forbliver under det niveau, som vil kunne forårsage en antændelse ved gnistdannelse eller varme udvikling, hvis der er en intern fejl eller en fejl i et tilsluttet udstyr.
Der er to typer af egensikker beskyttelse – den højeste er Ex ia, som er egnet til brug i zone 0, 1 og 2, mens Ex ib er egnet til brug i Zone 1 og 2.
Indikatorer med ia mærkning er normalt certificeret ‘ia IIC T5’ i henhold til IECEx og ATEX direktiverne, hvilket gør de kan anvendes i alle former for ”overflade industri” med alle former for gasser – med undtagelse af carbon disulfid (CS2) og ethyl nitrit (C2H5NO2), som har lave antændelsestemperaturer.
Som nævnt tidligere er det dog sjældent at indikatorerne monteres i zone 0, hvor man forsøger at undgå personalet opholder sig for længe af gangen, men ia-certifikatet giver dog mulighed for at instrumenterne kan indgå i den del af systemerne, der klassificeres som zone 0. Certificering af denne type indikatorer refererer normalt til indgangsterminalerne, som opfylder kravene til at kunne betragtes som et ”simpelt apparat”, og som følge deraf, kan de indgå i eller tilføjes et egensikret kredsløb uden at det påvirker sikkerhedsanalysen af systemet..
Figur 3 viser et typisk Intrinsically Safe system.

En typisk I.S. kredsløb ville omfatte en form for måleudstyr, f.eks. en temperatursensor, der er permanent placeret i det eksplosive område, der er beskyttet af en sikkerhedsbarriere placeret i det sikre område. En sikkerhedsbarriere består sædvanligvis af en række dioder, modstande og sikringer, der er arrangeret og dimensioneret på en sådan måde, at de begrænser den energi, som sendes til måleudstyret i marken.
Selvom der indgår en barriere til at begrænse strømmen i kontrolsløjfen, skal en anordning, som placeres i risikoområdet, også være designet til at overholde kravene i de forskellige standarder, hvilket i praksis betyder at feltinstrumenteringens placering bestemmes af systemanalysen og er upåvirket af indikatoren der indgår i strømsløjfen.






